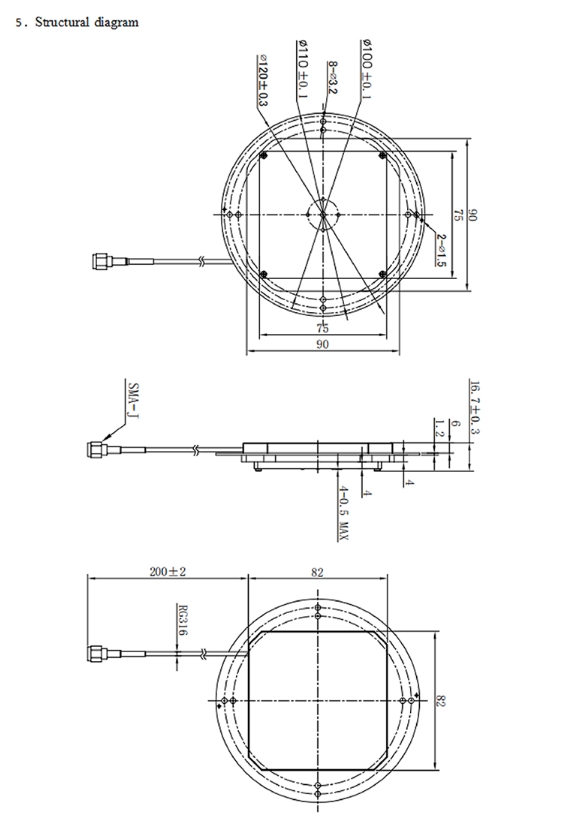
Product Details




The MA-4020 is a high-performance, multi-constellation RTK (Real-Time Kinematic) GNSS (Global Navigation Satellite System) antenna designed for precision positioning scenarios that demand centimeter-level accuracy. It integrates advanced signal reception technology and robust structural design to deliver reliable performance across diverse industrial and professional applications.




Sending...