Home » Unmanned System Products » RTK GNSS Board MG-508
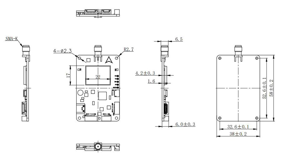
RTK GNSS Board MG-508
The RTK GNSS Board MG-508 marks a premium advancement in high-precision positioning technology, tailored to address the most rigorous demands of professional industries where uncompromising accuracy and robust performance are non-negotiable. As a top-tier industrial-grade module, it harnesses state-of-the-art Real-Time Kinematic (RTK) technology to achieve sub-centimeter-level positioning precision—setting a new standard for applications such as high-precision autonomous driving, large-scale infrastructure construction, advanced geodetic surveying, and heavy-lift UAV operations.
Description





